
- This pump features one of the highest flow rates among our lineup.
- You can have a double-flow rate by combining two RP-S pumps, called the RP-2S series: Ring Pump - RP-2S series
- Chemical compatibility chart for tubing's: Chemical Compatibility Chart
Please feel free to get in touch with us for more details about this product.
Note: Details such as specifications, etc., may be changed without notice.
EXAMPLE OF APPLICATIONS
Few examples of some compatible applications for this product:
- Automatic washing machines
- Automatic coffee cup makers
- Floor washer applications
- Hand washer applications
- Applications for detergent supplies
Note: Details such as specifications, etc., may be changed without notice.
P-Q CHARACTERISTICS

Note 1: Details such as specifications, etc., may be changed without notice.
Note 2: It will vary by the material or ID of the tube or the motor.
Note 3: Aquatech Co., Ltd provides P-Q Characteristics.
MECHANISM OF THE RING PUMP




For more information:
Mechanism of the Micro Ring Pump
Note 1: Details such as specifications, etc., may be changed without notice.
Note 2: Visual diagram above is from Aquatech Co., Ltd.
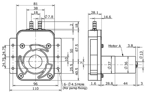
SPECIFICATIONS
Swipe left to see the remaining contents
| Model Number |
RP-S
|
| Outer Dimensions |
110 × 108 × 104.7 mm
|
| Pump Method |
Peristaltic Pump
|
| Type |
Miniature Peristaltic Pump
|
| Rated Voltage |
24 VDC
|
| Body Material |
NBR or PP
|
| Tube Material |
Tygon® A-60-F, PharMed®BPT, or TRANSMASTER TM-15
|
| Tubing Inner Diameter(mm) |
6.35 or 7.0 mm
|
| Tubing Outer Diameter(mm) |
9.52 or 10.0 mm
|
| Self-Priming |
Possible
|
| Pumped Volume Adjustable Range |
500-800 mL/min
|
| Weight |
Approximately 650 g
|
| Notes |
| Model Number |
Discharge Rate (mL/min) |
Tubing |
Remarks |
| Type |
ID x OD (mm) |
Motor |
Rotative Direction |
| RP-S06N-500Z-DC24V |
500 |
Tygon® A-60-F |
6.35 x 9.52 |
Motor A |
CW |
| RP-S06F-500Z-DC24V |
PharMed®BPT |
| RP-S06W-500Z-DC24V |
TRANSMASTER TM-15 |
| RP-S06N-700Z-DC24V |
700 |
Tygon® A-60-F |
Motor B |
CW |
| RP-S06F-700Z-DC24V |
PharMed®BPT |
| RP-S07W-800Z-DC24V |
800 |
TRANSMASTER TM-15 |
7 x 10 |
Note 1: Details such as specifications, etc., may be changed without notice.
Note 2: Tygon®/PharMed®: Product of Saint-Gobain SA.
|