Detects when it's time to replace the solenoid valve!*1
Enhances the reliability of your products!
Note *1: This feature is currently under development.

Electrodes are integrated into the valve body or manifold. By monitoring the electrical conductivity of the liquid, the sensors detect fluid leakage at the valve seal, which may be caused by foreign materials or other factors, and provide feedback signals to the customer's system. It can also detect liquid loss or the occurrence of air bubbles when the valve is open.
Future Scalability:
- Enables remote system management and proactive maintenance by monitoring when valves require maintenance or replacement.
- This feature is compatible with a wide range of valve series.
Feel free to contact us for more information about our advanced solenoid valve, which features an integrated sensor for precise leak detection.
This innovative design helps ensure optimal performance by quickly identifying potential issues, improving reliability, and reducing maintenance costs.
REMOTE MAINTENANCE

Note 1: Details such as specifications, etc., may be changed without notice.
Note 2: This feature is under development.
Example of use
Fluid leakage at the valve seal due to foreign object catching

VIDEO OF SOLENOID VALVE WITH SENSOR TO DETECT IRREGULARITY
Note: Details such as specifications, etc., may be changed without notice.
SPECIFICATIONS
Swipe left to see the remaining contents
| Model Number |
MTV-2-NM6(1/4U) F(G)M
|
| Type |
Solenoid Valve
|
| Port Connection |
M6 or 1/4-28UNF
|
| Orifice(mm) |
2.0 mm
|
| Rated Voltage |
12 or 24 VDC
|
| Power Consumption |
2.6 W
|
| Other Wetted Materials |
PEEK, PTFE & FKM (FFKM)
|
| Notes |
Sensor Performance Typical Value
| Fluids |
Liquids excluding pure water, ultrapure water, and aqueous solutions
(Liquids with an electrical conductivity of 50 µS/cm or higher) |
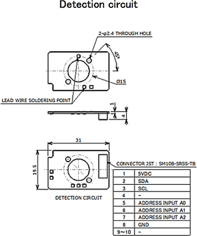
Sensor Board (External Interface Specifications)
| Output Specifications |
I2C |
| Supply Voltage |
5 VDC |
Note: Details such as specifications, etc., may be changed without notice.
|