
- Typical flow rates of 500 mL/min and operating pressure range of -60 to 100 kPa. +20% or higher flow than competitive pumps of similar size, even at higher pressures.
- These pumps are self-priming.
- These pumps provide a life cycle that is even longer than their competitors.
- No metal is contained in wetted parts (see table below). Suitable to use with a wide variety of fluids and functional with pumping gases.
Note: Details such as specifications, etc., may be changed without notice.
FLOW CURVE

Note 1: Details such as specifications, etc., may be changed without notice.
Note 2: The flow curves of the competitive products are the average values of three commercial products randomly sampled and measured by Takasago. The flow curves of our products are the average values of ten samples. All the values are only for reference and not guaranteed.
Note 3: Flow rate varies depending on the temperature and the tubing conditions.
SPECIFICATIONS
Swipe left to see the remaining contents
| Model Number |
DAP-500P-N1E / DAP-500P-N1E-2
|
| Outer Dimensions |
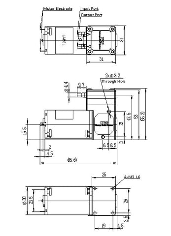
W31.0 x L85.6 x H55.2 mm
|
| Motor |
DC Motor
|
| Pump Method |
Diaphragm Pump
|
| Port Connection |
Hose Barbs
|
| Fluid Temperature Range |
5~80°C
|
| Ambient Temperature Range |
5~40°C
|
| Rated Voltage |
12 or 24 VDC
|
| Power Consumption |
8 W
|
| Body Material |
PP
|
| Seal Material |
EPDM
|
| Pumped Volume Adjustable Range |
500 mL/min*
|
| Maximum Pumped Pressure |
100 kPa
|
| Weight |
168 g
|
| Remarks |
Maximum Vacuum Pressure: -60 kPa
|
| Notes |
Note: Details such as specifications, etc., may be changed without notice.
*Typical flow rate is at 0 kPa backpressure.
|